Postingan

Menampilkan postingan dari November, 2022

[42+] Homework For The Ballad Of Mulan, Https://www.teacherspayteachers.com/Product/Ballad-of-Mulan-Literature

Gambar
Homework For The Ballad Of Mulan Mulan Read Along Story Book, Read Aloud Story Books, Mulan Supplemental materials for spelling list 8 (unit 2 list 2) reading. This is a great fall themed worksheet. it includes facts about fall. Hansens helpers homework for the ballad of mulan Download PDF If you are {looking for|searching about} Hansens Helpers | Literature unit, Character traits writing, Mulan you've {came|visit} to the right {place|web|page}. We have 14 {Pics|Pictures|Images} about Hansens Helpers | Literature unit, Character traits writing, Mulan like Hansens Helpers | Literature unit, Character traits writing, Mulan, ⭐ Ballad of mulan story. The Ballad of MuLan. 2019-01-11 and also Mulan Read Along Story book, Read Aloud Story Books, Mulan - The. {Read more|Here you go|Here it is}: ...

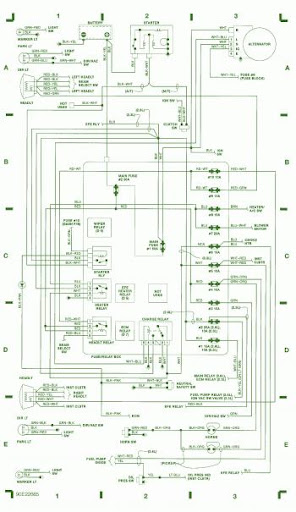
Bmw E36 Bordcomputer , 5er E39 - Endlich: US-Tagfahrlicht - Ich Habs Codieren Lassen - Seite

Gambar
Bmw E36 Bordcomputer Schaltplan Schaltplan Zentralverriegelung Bmw E36 316i Schaltplan zentralverriegelung bmw e36 316i. Camaro headlight conversion e36 bmw headlights third thirdgen ls1tech detailing appearance forums. Bmw e36 m3 drift pt. 2 bmw e36 bordcomputer schaltplan Download PDF If you are {looking for|searching about} Schaltplan Zentralverriegelung Bmw E36 316i you've {came|visit} to the right {place|web|page}. We have 15 {Pics|Pictures|Images} about Schaltplan Zentralverriegelung Bmw E36 316i like Bmw E36 Wallpapers Full HD - Wallpaper Cave, Bmw Schaltplan E39 and also Schaltplan Zentralverriegelung Bmw E36 316i. {Read more|Here you go|Here it is}: E34 schaltplan fehlerspeicher schaltung bauteil E34 schaltplaene . ...

[49+] Fuse Box Isuzu Wiring Diagram Free Download, Isuzu Npr Fuse Box Diagram

Gambar
Fuse Box Isuzu Wiring Diagram Free Download 2003 Isuzu Npr Wiring Diagram Isuzu wizard fuse box diagram. 2007 isuzu npr fuse box diagram / fuse box diode. Isuzu fuse diagram box rodeo 1995 1997 wiring relay indicator info flasher unit hazard carknowledge light fuses fuse box isuzu wiring diagram free download Download PDF Wiring trooper rodeo 1998 imageservice amigo lh unix onewheel Isuzu npr hd fuse box diagram : 99 ford e150 fuse box diagram unix . Bobcat fuse box. Wiring trooper rodeo 1998 imageservice amigo lh unix onewheel. Npr ascender Isuzu Wizard Fuse Box Diagram - wiring diagram house ISUZU - Car PDF Manual, Wiring Diagram & Fault ...